DVB-S系统设计报告
1 DVB标准
Digital Video Broadcasting(数字视频广播)是一个完整的数字电视解决方案,其中包括DVB-C(数字电视有线传输标准),
DVB-T(数字电视地面传输标准),DVB-S(数字电视卫星传输标准),下面主要介绍DVB-S系统。
DVB-S为数字卫星广播标准,卫星传输具有覆盖面广、节目容量大等优点。信号采用RS(188,204)和卷积码的级联编码,调制方式为QPSK。
2 DVB-S信道编码及调制的基本原理
2.1 原理框图
根据ETSI的DVB-S标准,原理框图如下所示

由于卫星提供的DTH服务特别受功率限制的影响,因此主要的设计目的应该为抗噪声和干扰,而不是频谱效率。为了在不过度损害频谱效率的前提下实现很高的能量效率,系统应使用QPSK调制和卷积码和RS码的级联。
2.2 接口

2.3 信道编码
2.4 TS流适配单元(adaptation)
输入的TS流根据MPEG-2格式按照固定的长度打包,数据包的长度为188,帧头为同步字
2.5 扰码单元(energy dispersal)
基带信号中含有很多连“1”或者连“0”的现象,会导致基带信号的频谱中含有较多的低频成分,既不利于信号在信道的传输,也不利于在接收端提取时钟信号。因此采用扰码,将TS流转化成伪随机序列。DVB-S标准中的随机化的原理图如下:

伪随机二进制序列的生成多项式如下:
扰码以8个数据包组成的超帧为单位进行处理,在每一个单元开始处理时,将序列”100101010000000“装入寄存器,对其进行扰码处理。数据包的同步字不进行扰码处理。
2.6 RS编码
外码采用RS编码,其具有同时纠正随机错误和突发错误的能力,并且纠正突发错误更有效。DVB-S采用的编码格式为RS(239,255)截断而得到的RS(188,204)编码,最大可纠错长度为8个字节,编码从同步字

2.7 编码原理简述
假设信息多项式为
码生成多项式为
其中的_a_ = 02_hex_,则生成多项式的展开式为
将
2.8 卷积交织
在数字信号传输过程中,由于一些突发性干扰,会导致一连串的数据错误,很有可能超出RS码的纠错范围。而卷积交织可以将错误的字符分散开,使得信道变成近似无记忆信道。DVB-S中采用的是交织深度为12的卷积交织。交织和解交织的框图如下:

2.9 卷积编码
内码采用的是(2,1,7)型的卷积码,编码效率为

当信道质量较好时可以对编码信号进行删余,提高信道利用率。
3 Matlab仿真
3.1 TS流适配及扰码模块

3.1.1 CLKdivide
一路高清电视信号的码率为
3.1.2 sigSource
此模块产生输入的TS流信号,并且生成RS编码的开始、结束和使能信号。由于每输出一个188字节长度的数据包后要暂停输出TS流插入空包,所以采用使能系统,每计数188次后拉低使能插入空包。

3.1.3 HeaderProcess
此模块对输入的TS流进行速率转换和组超帧,每八个数据包组合为一个超帧,并反转第一个同步字,由

第一个Multiport Switch用来进行插入空包,第二个Multiport Switch用来反转超帧的第一个同步字。
3.1.4 myScrambler
根据扰码的生成多项式进行设计。HeaderProcess生成的扰码使能信号正好在输入同步字时拉低,不进行扰码处理,扰码复位信号在输入了一个超帧后重新装入初始序列”100101010000000“。

3.1.5 仿真数据

3.2 RS编码模块

使用HDL Coder中的模块,由于时钟速率为200
3.3 卷积交织

同样加入触发模块,保证交织的速度为码元速率
3.4 uint8转binary模块

首先对输入的数据按位相与,取出每一位的数据后使用Multiport Switch逐位输出,计数器的使能速率为码元速率
3.5 卷积编码

不进行删余的话,编码效率为
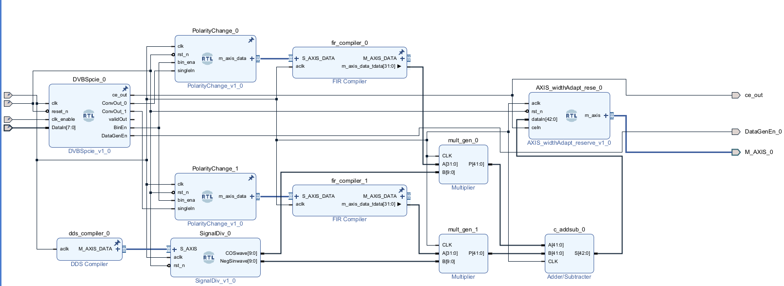
4 Vivado实现
Vivado的代码大部分都由HDL Coder生成,或者由Matlab生成系数文件,再导入到Vivado的IP核中。

4.1 DataSource_Scrambler
直接生成hdl代码的话,DataSource_Scrambler模块中的sigSource模块在200

在输出端加入一级流水线后,综合布线后时序即可通过。同时在这个模块的输出信号处全部加上一个delay模块组成流水线。
4.1.1 扰码模块

可以看到每输入8个数据包后,扰码内部的D触发器的初值得到重置,同时反转后的同步字
4.1.2 数据对齐
在仿真过程中,发现同步字

在将输出的使能信号延后一个数据周期,即可保证信号的同步。
4.2 RS编码
将modelsim的数据导入到matlab进行解码,可以看到将188个数据包完整的解了出来。

4.3 升余弦滚降滤波器
4.3.1 Matlab滤波器设计
根据DVB-S标准的要求,升余弦滚降系数为

在FPGA中要对滤波器系数进行定点化处理。
对系数进行32位量化后幅值响应如下:

对系数进行16位量化后幅值响应如下:

可以看出16位量化的幅值响应和32位量化的响应几乎一样,为了节省空间,因此使用16位量化。
量化结束后点击目标→Xilinx系数文件 生成coe文件。

4.3.2 Vivado Fir滤波器设计
选择 Source为COE FIle

输入的采样频率要和时钟频率相等,不进行过采样。

在Implementation中将系数类型选择为有符号数,位宽设置为16。

输入的信号为正负1,所以输入的位宽为2,第一位为符号位。输出模式设置为全精度。

4.3.3 波形

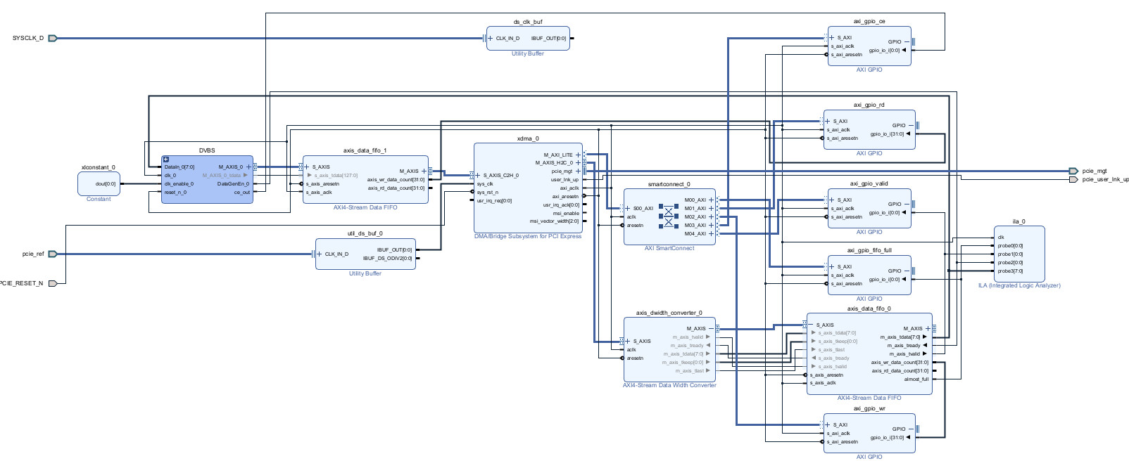
5 使用XDMA进行数据的输入和输出采集


结构框图如上。
工程的总体结构如上所示,数据通过XDMA的M_AXIS_H2C接口写入数据。由于写入数据的位宽为128bit,工程中信号处理部分的输入位宽为8bit,因此加入AXISDataWidthConverter模块将位宽从16BYTE转为1BYTE,并写入FIFO,使用AXIGPIO模块读取FIFO的almost full信号,如果FIFO被写满,almost full被拉高,就停止写入数据。读取DVB-S生成的QPSK信号时,由于经过了升余弦滚降滤波和调制,信号的位宽已经较大,为了降低复杂度选择将调制信号高位补零至128bit后经M_AXIS_C2H接口输出到Host主机。
调试过程见
